


YZSL立式振動電機是各類振動機的通用動力源,以其優良的性能,用以提高篩分效率和篩分精度,高效完成清理異型零部件表面質量,提高破碎或混料效果。
振動光飾機、振動破碎機、旋振清理機、振動烘干機、振動混料機等設備,特別是大量配套于旋振篩(圓形震動篩)產品。
廣泛應用于煤炭、冶金、電力、糧食、化工、鑄造、水泥、港口、醫藥、加工等行業。
全國銷售熱線:182-2455-5590
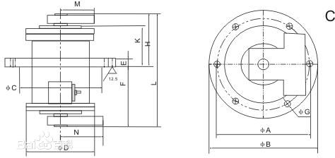
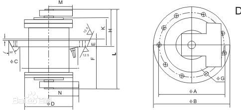
新鄉立式振動電機廠家在設計上精益求精,機械機構先進,耐振性能好,重量輕,體積小,激振力大且非常容易進行調節,YZSL系列立式振動源三相異步電動機主要有特制的立式電機和上下振子組成,裝配方式采用單法蘭結構使得立式振動電機安裝維護方便,提高主機對物料的處理能力;立式振動電機具有以下諸多優點:·體積小、重量輕、啟動迅速;· 噪音低、能耗低、效率高;·激振力易于無級調整且調節范圍廣、振動無機械傳導;·安裝便捷、維護簡單、壽命長。YZSL立式振動電機外觀質量好,絕緣等級和防護等級高,能可靠應用于高塵高潮濕場所;電磁參數的設計符合振動電機的工作特性,起動更迅速,運行更平穩;選用名優廠家的特制耐振軸承,可靠性高,使用壽命長;電磁部位及軸承溫升在振動電機長時間連續運行時能得到有效控制,使得AVL立式振動電機具有特長使用壽命。
由立式電機本身運行產生易于調整的水平、垂直、傾斜等方向多元激振力,形成物料的快速平面分散、中心聚集、平面旋轉、三維旋轉等多種運動方式,用于控制排料速度、處理精度等機械性能指標,以其獨特的結構特點適應于不同的機械對振動源的要求。
立式振動電機由特制電機外加偏心重塊組成,偏心塊有半圓形、長方形等,可根據振動設備的作業要求進行不同的配置,產生用戶需要的振動效果,立式振動電機通電旋轉,帶動電機軸兩端的偏心重塊,產生慣性激振力,通過電機法蘭傳遞給振動電機,AVL系列立式振動電機分為2、4、6、8、級四種規格,振次分別為2870、1460、980、740RPM
激振力
Fm=mr ω 2
m-偏心塊質量
r-偏心塊質心回轉軸心的距離,即偏心距
ω -電機旋轉角度頻率
ω= 2π n/60
n—振動電機振次
海拔: <1000米
電源電壓:380V
電源頻率:50Hz
防護等級:IP44
接法:Y或Δ
絕緣等級:B
環境溫度:<40°C
相對濕度:< 90%




Copyright © 新鄉市德誠電機制造有限公司地址:中國-河南省-新鄉市衛濱區八里營工業區 備案號:豫ICP備17009285號-10